نقد و بررسی
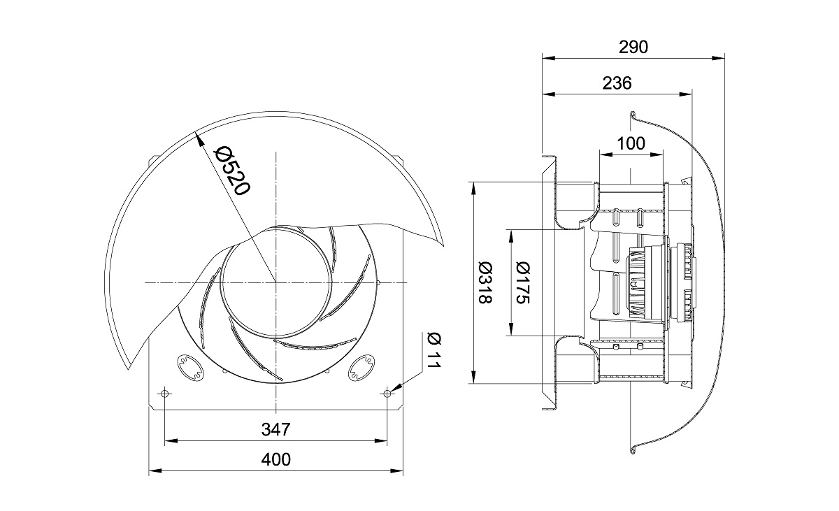
هواکش سقفی 30 سانت 1400 دور تک فاز مدل REB-31/10A4Sهواکش سقفی 30 سانت 1400 دور تک فاز مدل REB-31/10A4S از محصولات شرکت دمنده است که برای تخلیه هوا در فضاهای صنعتی و تجاری طراحی شده است. این هواکش با دور موتور 1430 دور در دقیقه، جریان 1.10 آمپر و توان 200 وات، حجم هوادهی معادل 1700 متر مکعب بر ساعت را ارائه میدهد. شدت صدای تولیدی این دستگاه 68 دسیبل است که برای محیطهای صنعتی قابل قبول محسوب میشود.
ویژگیها:
- طراحی و ساخت: بدنه این هواکش از فولاد با پوشش رنگ الکترواستاتیک ساخته شده که مقاومت بالایی در برابر خوردگی و زنگزدگی دارد. پروانه دستگاه نیز از جنس آلومینیوم است که به کاهش وزن و افزایش کارایی کمک میکند.
- کاربرد: این هواکش برای نصب در سقف و تخلیه هوا در سیستمهای تهویه صنعتی و تجاری مناسب است. همچنین، با توجه به حجم هوادهی بالا، میتواند در فضاهای بزرگ مورد استفاده قرار گیرد.
- موتور: موتور این دستگاه از نوع تک فاز با ولتاژ 220 ولت است که در دسترس بودن و سهولت استفاده را فراهم میکند.
مزایا:
- بازدهی بالا: با حجم هوادهی 1700 متر مکعب بر ساعت، این هواکش توانایی تخلیه هوای قابل توجهی را دارد که برای فضاهای بزرگ مناسب است.
- کیفیت ساخت: استفاده از مواد با کیفیت در ساخت بدنه و پروانه، دوام و طول عمر دستگاه را افزایش میدهد.
- نصب آسان: طراحی مناسب برای نصب در سقف، فرآیند نصب را تسهیل میکند.
معایب:
- سطح صدا: شدت صدای 68 دسیبل ممکن است در برخی کاربردها نیاز به توجه داشته باشد، هرچند در محیطهای صنعتی این میزان صدا معمول است.
- مصرف انرژی: با توان 200 وات، مصرف انرژی این دستگاه ممکن است برای برخی کاربران مهم باشد، اما با توجه به کارایی و حجم هوادهی، این میزان مصرف قابل توجیه است.
جمعبندی:
هواکش سقفی 30 سانت تک فاز مدل REB-31/10A4S با ویژگیهای فنی مناسب و کیفیت ساخت بالا، گزینهای مناسب برای تهویه و تخلیه هوا در فضاهای صنعتی و تجاری است. با در نظر گرفتن مزایا و معایب ذکر شده، این دستگاه میتواند نیازهای تهویهای محیطهای مختلف را به خوبی برآورده کند.








0دیدگاه